
NNU4156-M
svars: 116,52 kg
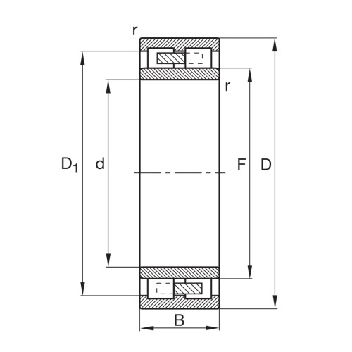
Cilindriskais rullīšu gultnis
WhatsApp:+8618753115023
E-pasts:info@bearingmotion.com
Produktu apraksts
| d |
280 mm
|
| D |
460 mm
|
| B |
180 mm
|
| Kr |
2,430,000 N
|
| C0r |
4,700,000 N
|
| Cur |
530,000 N
|
| nG Smērviela |
1,920 1/min
|
| nG eļļa |
2,260 1/min
|
| ≈m |
116,52 kg
|

Saistīts ar produktu
TheNNU4156-Mir augstas{0}}precizitātesdubultās -rindas cilindriskais rullīšu gultnisizstrādāts rūpnieciskām vidēm, kurās nepieciešama ārkārtēja radiālā stingrība un slodzes{0}}nestspēja. Ietver a280 mm urbumsun a460mm ārējais diametrs, šī iekārta izmanto amehāniski apstrādāts misiņa būris (M sufikss), kas ievērojami uzlabo tā stabilitāti liela ātruma -griešanās laikā, samazinot berzi un siltuma uzkrāšanos. Atšķirībā no standarta vienas -rindas variantiem, NNU dizains ietver iekšējo gredzenu bez ribām un ārējo gredzenu ar trim integrētiem atlokiem, kas nodrošina zināmu aksiālo nobīdi. Tas padara to par ideālu izvēli gultņu pozīciju noteikšanai-lieljaudas iekārtās, kur vārpstas termiskā izplešanās ir kritisks faktors.
Papildus strukturālajai noturībai,NNU4156-Mizceļas ar savu izcilo skriešanas precizitāti, padarot to par galvenodarbgaldu nozareunvelmētavalietojumprogrammas. Ar statiskās slodzes reitingu, kas pārsniedz4700 kN, tas efektīvi pārvalda milzīgus radiālos spēkus, vienlaikus saglabājot precīzas pielaides, kas nepieciešamas vārpstu izvietojumam un liela mēroga{0}}pārnesumkārbām. Gultņa atdalāmā konstrukcija vienkāršo montāžas procesu, ļaujot neatkarīgi uzstādīt iekšējos un ārējos gredzenus. Neatkarīgi no tā, vai tas ir integrēts liela-griezes momenta piedziņā vai precīzas metalurģijas līnijā, NNU4156-M nodrošina darbības uzticamību un ilgāku kalpošanas laiku skarbos, nepārtrauktas darbības apstākļos.

transportēšana


Populāri tagi: nnu4156-m, nnu4156-m piegādātāji
Pāri
NU2240-E-M1ANākamo
NU 1068 MAJums varētu patikt arī
Nosūtīt pieprasījumu










