
24056-BE-XL-C3
svars: 67,16 kg
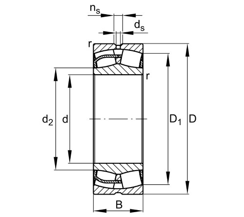
Sfērisks rullīšu gultnis
WhatsApp:+8618753115023
E-pasts:info@bearingmotion.com
Produktu apraksts
| d |
280 mm
|
| D |
420 mm
|
| B |
140 mm
|
| Kr |
2,290,000 N
|
| C0r |
3,950,000 N
|
| Cur |
370,000 N
|
| nG |
1,420 1/min
|
| nϑr |
800 1/min
|
| ≈m |
67,16 kg
|

Saistīts ar produktu
Kad runa ir par brutālu radiālo slodzi un neizbēgamu vārpstas novirzi,24056-BE-XL-C3ir galīgs nozares standarts. Kā daļa no FAG X-life klāsta, šis īpašais rullīšu gultnis ir konstruēts ar280 mm urbumsun būtiska420mm ārējais diametrs, optimizēta vidēm, kur aprīkojuma kļūme nav iespējama. Apzīmējums "XL" (X-life) nozīmē vairāk nekā tikai augstākās kvalitātes cenu; tas apzīmē izcilu sacīkšu ceļa apdari, kas samazina berzi un siltuma veidošanos. Integrējot šo140 mm platsIebūvējot spēku savā montāžā, jūs efektīvi pagarinat vidējo laiku starp apkopi (MTBM) un nodrošina, ka sistēma turpina darboties smagas-slodzes apstākļos.
TheC3 iekšējā klīrenssšeit ir īstais "problēmu risinātājs", kas nodrošina nepieciešamo buferi termiskai izplešanai, strādājot pie maksimālās temperatūras. Tas novērš parasto gultņu krampju risku liela{1}}ātruma vai liela{2}} karstuma lietojumos, piemēram,lieljaudas-pārnesumkārbas, kalnrūpniecības konveijeri un papīra rūpnīcu iekārtas. Ar masīvustatiskā slodze 3950 kN, 24056-BE-XL-C3 neatbalsta tikai svaru; tas absorbē triecienus un konstrukcijas novirzes, kas varētu sagraut mazākus gultņus. Inženieriem, kuri vēlas samazināt neplānotas dīkstāves, pašregulējošais{6}}divrindu dizains piedāvā tādu uzticamības līmeni, kādu standarta gultņi vienkārši nevar sasniegt.

transportēšana


Populāri tagi: 24056-be-xl-c3, 24056-be-xl-c3 piegādātāji
Pāri
Z-531163.04.DRGLNākamo
24160 CC/C3W33Jums varētu patikt arī
Nosūtīt pieprasījumu










