
24164-BE-XL-C3
svars: 199 kg
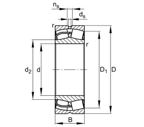
Sfērisks rullīšu gultnis
WhatsApp:+8618753115023
E-pasts:info@bearingmotion.com
Produktu apraksts
| d |
320 mm
|
| D |
540 mm
|
| B |
218 mm
|
| Kr |
4,600,000 N
|
| C0r |
7,300,000 N
|
| Cur |
570,000 N
|
| nG |
1,010 1/min
|
| nϑr |
415 1/min
|
| ≈m |
199 kg
|

Saistīts ar produktu
The24164-BE-XL-C3ir uzticamības etalons lieljaudas{0}}rotējošās iekārtās. Kā daļu noX-dzīvesērija, šis sfēriskais rullīšu gultnis ir veidots ar optimizētu iekšējo ģeometriju, kas nodrošina augstāku dinamiskās slodzes reitingu nekā parastie modeļi, kas tieši nozīmē ilgāku ekspluatācijas laiku. TheC3 radiālais iekšējais klīrenssšeit ir būtiska iezīme; tas nodrošina nepieciešamo telpu termiskai izplešanai nepārtrauktu, lielu{0}}slodzes ciklu laikā. Tas nodrošina, ka gultnis neiesprūst un nepārkarst, kad jūsu tehnika sasniedz maksimālo darba temperatūru, padarot to par pamatu lielapjoma-rūpnieciskajām pārnesumkārbām un vibrācijas ekrāniem.
Viena no 24164-BE-XL-C3 galvenajām priekšrocībām ir tā spēja saglabāt augstu veiktspēju pat tad, ja rodas vārpstas novirze vai montāžas kļūdas. Simetriskais rullīšu dizains un augstas izturības būris ļauj ievērojamileņķiskās novirzes kompensācija, nodrošinot, ka slodze tiek vienmērīgi sadalīta pa sacīkšu ceļiem. Samazinot malu spriegumus un berzi, "BE" dizaina variants samazina enerģijas patēriņu un samazina veltņu nodilumu. Tehniskās apkopes komandām, kas vēlas samazināt dīkstāves laiku kalnrūpniecībā, celtniecībā vai tērauda apstrādē, šis gultnis nodrošina izturību, kas nepieciešama, lai izdzīvotu skarbos apstākļos, kur putekļi, vibrācija un milzīgi radiālie spēki ir norma.

transportēšana


Populāri tagi: 24164-be-xl-c3, 24164-be-xl-c3 piegādātāji
Pāri
24164 CC/C3W33Nākamo
24184-BE-XL-K30Jums varētu patikt arī
Nosūtīt pieprasījumu










